r/digitalelectronics • u/Stunning_Target_2719 • 1d ago
r/digitalelectronics • u/Weak_Ambition_6729 • 5d ago
Learn How to make a Decimal to binary converter with logic gates
r/digitalelectronics • u/juanch02 • 7d ago
Trouble disassembling HEDS-5540 encoder with allen key
Hi everyone,
I’m working with an optical encoder HEDS-5540#I12. According to the manual, to mount/disassemble it you need to insert a 0.035" (~0.9 mm) allen key through a hole in the encoder body to loosen the hub set screw that secures the shaft to the encoder hub.
The issue is that when I insert the allen key, I don’t feel it engaging or turning any screw. The key just spins freely, with no resistance, as if there’s nothing inside.
I need to remove the encoder because I have to install a belt that connects the motor to the encoder hub (not directly to the motor’s rotor), and I don’t see another way to do this without taking the encoder off first.
My questions:
- Is it normal that it’s so hard to engage the set screw?
- Could this model actually not have a set screw in that position?
- Has anyone disassembled a HEDS-5540 and can confirm exactly where the allen key should engage and what it feels like to loosen it?
- Any tricks or correct procedure to do this without damaging the encoder?
If anyone has practical experience with this exact model (or even a video/picture), I’d really appreciate the help 🙏.
Thanks in advance!
r/digitalelectronics • u/soup97 • 8d ago
How Do LEDs Work? | Light Emitting Diodes Explained
r/digitalelectronics • u/Fr4n-- • 10d ago
Best courses/ resources to learn from 0 (logic gates) ?
It will be better if is in a video format with a teacher but I accept any
r/digitalelectronics • u/Background-Channel56 • 15d ago
Question
design an arithmetic module that converts BCD to XS-3 code and hexadecimal to BCD code using 4-bit binary adders. plss someone tell how can i implement the 2nd part using 4 bit binary adders
r/digitalelectronics • u/Odd_Independent8521 • 19d ago
ESP32 + RFM95: What Voltage & Which Antenna?
Common Issues with Incorrect Power or Antenna Setup
When the RFM95/RFM96 is powered improperly or paired with a mismatched antenna, you may see:
- Brownouts or weak supply voltage → leads to dropped packets, reduced output power, or sudden module resets.
- Over-voltage stress (>3.9 V) → can permanently damage the RF front end.
- Under-powered regulator during TX → module fails to reach full +20 dBm, resulting in lower range.
- Improper or missing antenna → reflected power (high VSWR) causes poor RSSI and risks damaging the PA.
- Random SPI communication faults → especially when VCC noise couples into the SPI clock/data lines.
Good Practices for Powering the RFM95 with ESP32
- Stable 3.3 V Regulation Use a regulator capable of at least 500 mA headroom. The RFM95 itself can draw up to 120–150 mA at TX peak.
- Decoupling & Bulk Capacitors Place 100 nF + 10 µF ceramics at the VCC pins. A 47–100 µF electrolytic helps handle TX current spikes.
- Shared vs. Separate Rails If the ESP32 is pulling heavy current (Wi-Fi, BLE + LoRa), consider isolating the RFM95 with a dedicated low-noise LDO.
Choosing the Right Antenna
- Match Frequency to Module → e.g. 868 MHz, 915 MHz, or 433 MHz. Using the wrong band severely reduces range.
- Impedance Matching → Stick with 50 Ω antennas to avoid reflections and power loss.
- Form Factor → Whip antennas generally outperform PCB traces; SMA connectors are recommended for testing.
- Keep RF Path Clean → Short coax, no sharp bends, good ground plane for stability.
r/digitalelectronics • u/Vast-Hold2849 • 22d ago
Help us name our IoT project group!
Hey Reddit! Help us pick a name for our IoT project group.
Examples: Ping’d, The Actuators… (both are taken)
Can you help us come up with something new and cool for our IoT project group?
r/digitalelectronics • u/Then_Broccoli_3063 • 24d ago
DLD project ideas
So im currently doing my bachelors and i have this subject DLD. I want some ideas for the swmester end project as to what i should be making...my main field is biomedical engineering so if you can suggest anything related to that ... Thanks
r/digitalelectronics • u/No-Setting-7027 • 29d ago
Flip Flops
I can wire a flip flop if given a diagram, but for me it isn’t intuitive, which means I can’t explain it to the degree that I want to with my students. Does anyone have any advice or suggestions on how to go about looking at the different versions so that I can explain it in a coherent manner?
r/digitalelectronics • u/hrtthenskrt • Sep 02 '25
Need help designing UP/DOWN counter
Im designing a 3 bit UP/Down counter using D flip flops for a university project.i was instructed to design an elevator control system to go to 8 floors (000 - 111).floor 8 is 111.the count up would direct the elevator up vice versa,i managed to do the count up.but got stuck doing the count down.can anyone help?
r/digitalelectronics • u/TheBlackDon • Aug 29 '25
ESP32 Based Parking Assistant V3
r/digitalelectronics • u/Professional_Ad_8869 • Aug 10 '25
Flip flops in Digital electronics | Complete explanation | SR | Jk| T | D Flip Flop
Flip flops in Digital electronics | Complete explanation | SR | Jk| T | D Flip Flop
r/digitalelectronics • u/Scared-Drink4672 • Aug 09 '25
Don't know nothing, where do I start learning ?!
r/digitalelectronics • u/AnaverageuserX • Aug 06 '25
Offering help in logic gates
So I specialize in logic gates greatly, if anybody needs help with any form of logic gates (AND, OR, XOR, NOR, and etc) tell me. I need something to pass time and helping others is a great way to do so.
r/digitalelectronics • u/No_Succotash7529 • Aug 04 '25
What’s your take on the future of flexible circuits in wearables and environmental sensing?
Hey folks, I’ve been diving deeper into the world of flexible electronics recently especially their role in wearable health devices and environmental sensors. The tech has evolved so much, but I still feel like we’re just scratching the surface of real world applications.
One thing I came across that really sparked my curiosity was a project showcasing how flexible substrates can be used in low cost, scalable sensor networks. It got me thinking what are the biggest barriers keeping this from becoming more mainstream? Is it just manufacturing scale, or are there still big challenges with durability and power?
Also, are there any new use cases or tools you’ve seen that got you excited? I’d love to hear how others in the field are thinking about this.
(For anyone curious, I’ve been following some ongoing work over at FlexibleTech Inc some interesting prototypes and ideas being explored there.)
r/digitalelectronics • u/soup97 • Aug 03 '25
MOSFETs Explained | Inside the Transistor Powering Phones, CPUs & EVs
r/digitalelectronics • u/Legitimate_Jaguar96 • Jul 28 '25
Need help in connecting ESP32CAM with LM386 amplifier and 8ohm speaker
I've been creating a project with esp32cam it is an ai image it is in AI image analysis using Gemini, I successfully set my project to work with gemini's api key to send the image in base64 format and fetch the details or the image description but the problem is i want to display that description on my OLED display (https://amzn.in/d/iCJqk5v) and I also want the description to be in audio so I've thought about using elevenlabs API or some other but I am first trying to learn how can I connect my esp32cam to play audio with, I have an LM386 module (https://amzn.in/d/fzLZHxU) and an 8ohm speaker (https://amzn.in/d/ffO5Xke)
r/digitalelectronics • u/Weak_Ambition_6729 • Jul 27 '25
This Display LCD 16x2 Works With NO Microcontroller, Here's How!
r/digitalelectronics • u/Accomplished-Data154 • Jul 26 '25
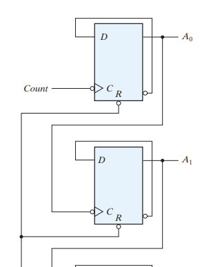
Binary Counter and frequency change
Hi everyone, I have an exam in digital circuits in a few days, but I'm still confused about some ripple counter stuff. I have few questions. I've attached a screenshot from my textbook that shows a 4-bit ripple counter using D flip-flops triggered on the falling edge of the clock. I initially thought this was incorrect, because I expected the counter to operate on the rising edge instead.

But if we connect the first D flip-flop directly to the clock (not its inverse), and the clock signal is 010101..., then the output Q would follow a pattern like 011001100. This made me wonder — since initially Q is 0 for half the time it is 1, is it considered incorrect or is this expected behavior?
If we just wanted to increase the period and not count would this kind of circuit be correct?

I really appreciate any help you can provide.
r/digitalelectronics • u/CeleryBulky9255 • Jul 24 '25
Where to Buy Logic Gate ICs in India (other than Robu.in)
I wanted to know the best websites (in India) which are trusted and can provide digital ICs especially logic gate ones in a really low price. Because most of the time on Robu the ICs are out of stock and the ones which are in-stock are hella expensive considering their general rate.
r/digitalelectronics • u/ImottahereCR100 • Jul 21 '25
Motor turns in wrong direction
Our dog launcher was left out in the rain, so I took it apart to dry it out. I disconnected 2 connections and they were put back in correct place. Now that I have it all successfully put back together, the motor runs backwards. Do you think the water ruined the board ? Thank you